Saint-Gobain Crystals的SiPM閃爍體探測器采用硅光電倍增管技術,相比傳統PMT具備抗磁場、低功耗(5V供電)、高集成度等優勢,支持多種閃爍體(如NaI、CsI)。其關鍵指標包括≤9.5%光子探測效率、110ns上升時間,適用于PET-MRI成像、核物理實驗、輻射監測及工業無損檢測,尤其適合磁場環境或便攜設備。
Kuhne electronic KU LNA 1090-2 A TM 是一款超窄帶低噪聲放大器(LNA),專為1090MHz IFF(敵我識別)頻段設計,具有極低噪聲系數(典型0.5dB)和高增益(≥30dB)。
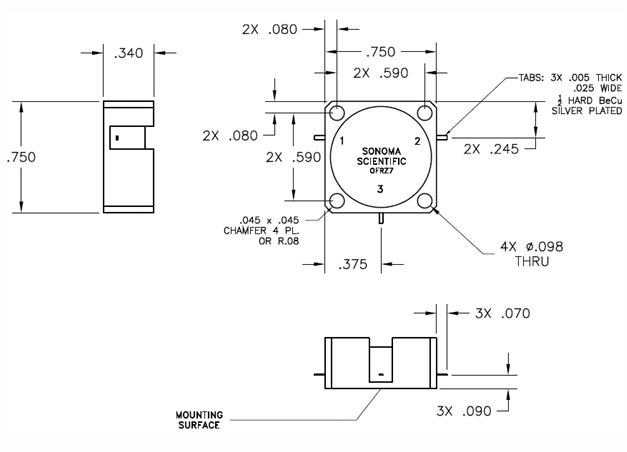
Sonoma Scientific C4YD2是一款專為衛星通信、雷達系統及高頻測試設備設計的4.2-4.4GHz微型嵌入式環行器,具有高隔離(≥22dB)、低損耗(≤0.4dB)和優異駐波特性(VSWR≤1.25:1),支持雙向2W功率承載,采用0.5英寸立方體緊湊結構配片式接觸端,可在-40℃至75℃嚴苛環境下穩定工作,逆時針信號傳輸方向滿足特殊系統集成需求。
Low Noise Factory公司的LNF-ISC4_8A和LNF-CIC4_8A是專為超低溫物理研究設計的低溫射頻器件,具有超低噪聲和低溫工作特性。其主要參數包括:4-8 GHz的RF帶寬,典型插入損耗0.17 dB,隔離度和端口匹配均為22 dB,采用SMA連接器,尺寸為22.324.610.2 mm。產品支持-50至50 V的直流電壓,RF驅動電平范圍為-50 dBm至30 dBm,在3K溫度下仍能保持優異的射頻性能。
RFCI公司的RFSL8816型CW隔離器是一款工作于2500-6200MHz頻段的高性能射頻隔離器件,具有≤0.8dB的低插入損耗、≥13dB的高隔離度和≥13dB的回波損耗特性,支持正向500W峰值/50W平均功率及反向20W連續波功率,適用于無線通信、雷達等射頻系統,有效抑制信號反射干擾。
Model 855B是一款高精度多通道射頻信號發生器,支持2-8通道配置(1U機架式2/3/4通道,3U臺式8通道),覆蓋300kHz至40GHz(可擴展至42GHz),頻率分辨率達0.001Hz,輸出功率-60dBm至+25dBm。具備超快切換速度(最快25μs)、優異相位噪聲(-150dBc/Hz@100kHz偏移)及脈沖調制功能,支持SCPI遠程控制(以太網/USB/GPIB),適用于雷達/量子計算等領域,1U機型僅重5.9kg(4通道7.7kg)。
Norsat的ATOMSKU016S1是一款軍用級Ku波段衛星通信放大器系統,工作于14-14.5GHz標準頻段(可擴展至13.75-14.5GHz),具有高功率輸出(20W飽和功率/16W P1dB)和60dB線性增益,配備寬壓DC輸入(+18V至+56V)、WR-75波導輸出及遠程監控接口。其采用IP67防護設計和-40°C至+60°C寬溫工作范圍,適用于VSAT地面站、軍事野戰通信和高清廣播上行等嚴苛環境,并可選配MIL-STD-461 EMI濾波器滿足軍用標準。
Renaissance Electronics & Communications的2A9NPA-S是一款毫米波同軸隔離器,工作頻段覆蓋28-37GHz,具有15dB高隔離度和1.0dB低插入損耗,專為衛星通信、5G MIMO及航空航天系統的高頻信號隔離需求而優化。
Kuhne electronic KU BT 6000 N是一款緊湊型偏置器(50×30×22mm,100g),可在10-6000MHz頻段內為塔頂LNA/變頻器遠程提供DC供電(0-30V/3A),同時保持射頻低損耗傳輸(插損≤1dB,RF-DC隔離≥30dB),支持1W射頻功率,配備BNC(DC)和N型50Ω(RF)接口,鋁制外殼確保耐用性。
選擇多通道微波信號發生器需根據通道數(單/多至8通道)、外形(臺式/機架/OEM)、頻率(9kHz~40GHz)、相位相干性、輸出功率(-120dBm~+26dBm)、低噪聲(-152dBc/Hz)、諧波抑制(-60dBc)、切換速度(最低100ns)及調制功能(AM/FM/Chirp等)綜合評估。BNC提供全系列型號(如865B/855B/875)并支持定制,滿足MIMO測試、雷達仿真等場景需求。
Teledyne SP Devices生產高端數據采集設備,包括ADQ14/30/8系列數字化儀(12-14位,最高2500MS/s)和SDR14TX波形發生器,采用FPGA技術,適用于激光雷達、醫療成像等領域,配套10GbE擴展模塊實現高速傳輸。
Sonoma Scientific 的 T6XS1 是一款高性能微帶隔離器,工作頻率覆蓋 6.8~13.2 GHz(包含 X 波段),具有低插入損耗(≤1 dB)和高隔離度(≥12 dB)特性,支持 1W 平均功率,駐波比 1.6:1。其緊湊尺寸(0.4×0.49×0.15 英寸)和寬溫工作范圍(-54°C ~ +85°C)使其適用于雷達、衛星通信、5G 射頻前端及測試設備等場景,兼顧性能與集成便利性。
Low Noise Factory公司生產的LNF - ISISISC8_12A和LNF - CICIC8_12A是專為8-12GHz頻段設計的低溫三結隔離器/環行器,具有超低溫(4K下0.3dB)和液氮溫區(77K下0.4dB)極低插入損耗、60dB高隔離度及22dB優秀端口匹配特性,采用SMA同軸接口和鍍金無氧銅材質,尺寸57.2×20.6×10.2mm,支持30dBm射頻功率和±50V DC電壓,適用于量子計算等精密射頻系統。
RFCR2907D是RF-CI公司推出的一款超緊湊Drop-in式X/Ku波段環行器(10.3-11.9GHz),采用單結型設計,具有0.35dB典型插入損耗和>22dB隔離度/回波損耗。該器件支持10W平均/250W峰值功率處理,在-40°C至+85°C寬溫范圍內保持穩定性能,其0.62×2.0×0.2mm微型封裝符合RoHS標準,專為5G基站、衛星通信及雷達系統設計,特別適合高密度集成的微波中繼和測試設備應用。
Quantum Microwave的QMC-WC12-1FR是一款60~90GHz毫米波波導-同軸轉換器,采用WR-12波導與1mm母頭同軸接口(UG387/U標準)設計,具有≤0.75dB插入損耗和1.3:1典型VSWR性能。該鍍金鋁合金適配器專為高精度毫米波應用優化,適用于5G通信、雷達前端及太赫茲研究設備等場景,典型值達到行業領先的0.75dB信號傳輸效率。
Lantronix A5100-A是一款高性能多頻段GNSS模塊(支持GPS/GLONASS/QZSS/SBAS),采用15×10.2×2.5mm SMT封裝,具有-165dBm跟蹤靈敏度和<2.5米定位精度,冷/熱啟動時間分別<35秒/1秒。其3.3V供電設計(31mA@1Hz)支持UART/SPI/I2C接口,配備1PPS時間標記輸出,工作溫度橫跨-40℃至+85℃,可驅動主動/被動天線,適用于車載導航、物聯網追蹤及工業機器人等場景,典型應用包括實時車隊管理、戶外設備定位和無人機導航系統。
Norsat 9000H4-EC是一款高性能Ka波段四頻低噪聲模塊,專為衛星通信設計,覆蓋17.20 GHz至21.20 GHz輸入頻段(分四段),輸出頻段為950 MHz至1.95 GHz(L波段),支持高通量衛星(HTS)及寬帶應用。核心參數包括低噪聲系數(1.5–2 dB)、高增益(55–65 dB)、LO穩定性(±10 kHz)、10 dBm輸出功率,兼容12–24 V直流供電,重量輕(560g),工作溫度范圍廣(-40°C至60°C),提供F型/N型連接器,適用于嚴苛環境。
Focus Microwaves MMT708手動微波調諧器是一款經濟高效的高精度設備,頻率覆蓋0.8–7GHz,支持N型或APC-7連接器,最小/典型VSWR為10:1/20:1,插入損耗≤0.5dB,長度約39.8cm。它基于與自動調諧器相同的射頻技術,適用于射頻器件測試(如放大器、濾波器阻抗匹配)、研發生產中的低成本高精度需求,以及教育實驗中的調諧原理教學。
LNF-ISC8_12A和LNF-CIC8_12A是專為極低溫物理研究設計的8-12GHz超低損耗隔離器/環行器,采用鍍金無氧銅(OFHC)主體實現0.2dB插入損耗和20dB隔離度的核心指標,其19.1×20.6×10.2mm的SMA同軸封裝在77K低溫環境下仍保持優異性能,支持±50V直流偏置和30dBm射頻驅動,通過材料與結構優化有效抑制熱噪聲,滿足量子計算等前沿科研中對射頻器件極限參數的嚴苛需求。
RFCI RFCR6962是一款工作于8.0-10.0GHz頻段的SMA-F接口環形器,具有≤0.4dB插入損耗和≥20dB高隔離度的核心性能,支持-40℃~85℃寬溫工作及250W峰值功率承載,其直流浮動設計的3端口結構專為微波通信、雷達系統和衛星設備中的信號單向傳輸優化,安裝時需特別注意接地可靠性。
在線留言
主站蜘蛛池模板: 星座| 化州市| 平遥县| 凉城县| 元谋县| 吴江市| 崇州市| 揭东县| 柳河县| 淮北市| 东山县| 清水河县| 台北市| 潼南县| 衡阳县| 军事| 洪泽县| 新平| 修水县| 温泉县| 武乡县| 海林市| 太原市| 界首市| 兴宁市| 浠水县| 双流县| 浮梁县| 安徽省| 安新县| 合阳县| 淳安县| 三亚市| 阿荣旗| 安化县| 临猗县| 河东区| 阳高县| 民乐县| 南和县| 金溪县|